Редуктор R97U- 83.15/132В5
Сроки доставки уточняйте у менеджеров
Качество
Гарантия на любой товар нашей компании: 2 года со дня покупки
Индивидуальный подход
Широкий ассортимент и быстрый заказ. Подберем решение именно под ваши задачи
Бесплатная доставка
По Екатеринбургу, Березовскому, В.Пышме при покупке на сумму более 30 000 р.
Характеристики цилиндрического редуктора
В каталоге представлен промышленный редуктор Редуктор R97U- 83.15/132В5 (производитель ESQ). Это приводной агрегат высшего класса эффективности, использующий цилиндрическую зубчатую передачу.
Главное преимущество данной модели - высочайший КПД (до 98%). В отличие от червячных редукторов, цилиндрические практически не нагреваются при работе, что позволяет использовать всю мощность электродвигателя для полезной работы без потерь.
Тип корпуса и конструкция
Тип: Соосно-цилиндрический редуктор.
Серия R/RC имеет классическую компоновку: выходной вал находится на одной оси с двигателем. Конструкция отличается повышенной жесткостью и способностью выдерживать значительные радиальные нагрузки на вал.
Корпус выполнен из чугуна (для крупных моделей) или алюминиевого сплава (для легких серий RC), что обеспечивает защиту от вибраций и долговечность подшипниковых узлов.
Технические параметры
Передаточное число (i): 83,15. Показывает, во сколько раз крутящий момент на выходе выше, чем на входе.
Агрегат оснащен фланцем B5 для жесткой стыковки с электродвигателем. Это стандартное соединение, гарантирующее соосность.
Типоразмер присоединяемого двигателя: 132В5.
Расшифровка маркировки Редуктор R97U- 83.15/132В5:
- Серия (R, RC, F, FA) - тип зубчатой передачи и корпуса.
- 97 - габарит редуктора.
- Число (напр. 20.19) - передаточное отношение.
- Фланец (B5/B14) - тип крепления двигателя.
|
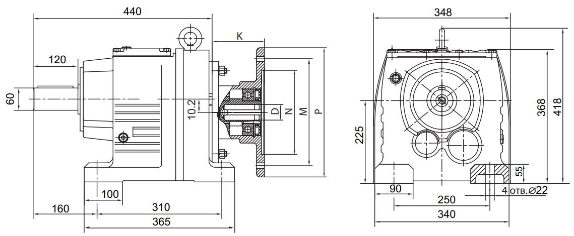
Чертеж корпуса |
|
Монтажные позиции |
Сфера применения
Модель Редуктор R97U- 83.15/132В5 предназначена для тяжелых режимов работы (24 часа в сутки):
- Насосное и вентиляционное оборудование.
- Тяжелые конвейерные линии.
- Дробилки и измельчители.
- Упаковочные автоматы и производственные линии.
Заказ и сервис
Оборудование не требует обслуживания на протяжении всего срока службы смазки. Гарантия производителя - 1 год.
Вы можете купить цилиндрический редуктор Редуктор R97U- 83.15/132В5 с доставкой по РФ. Оформите заявку на сайте «ПромМоторс» для получения счета и уточнения сроков отгрузки.
При покупке на сумму более 30 000р. – ДОСТАВКА ОСУЩЕСТВЛЯЕТСЯ БЕСПЛАТНО по Екатеринбургу, Березовскому, В.Пышме!*
Доставка до терминала транспортной компании БЕСПЛАТНАЯ!
Уважаемые клиенты! Здесь Вы можете произвести расчеты стоимости грузоперевозок:
Для отправки оплаченного Вами оборудования необходимо заполнить заявку на отгрузку
*При условии 100% предоплаты
Оплата за поставляемое оборудование производится по безналичному расчету.
Реквизиты организации
| Наименование | ООО «ПромМоторс» |
| Полное наименование | Общество с ограниченной ответственностью «ПромМоторс» |
| Юридический адрес | 620012, Свердловская обл., г. Екатеринбург, ул. Машиностроителей, д. 29, оф. 325 |
| ИНН / КПП | 6686004960 / 668601001 |
| ОГРН | 1126686005170 |
| ОКПО / ОКВЭД | 09019413 / 51.65.5 |
| Банк | УРАЛЬСКИЙ БАНК ПАО СБЕРБАНК Г. ЕКАТЕРИНБУРГ |
| Расчетный счет | 4070281021654008188 |
| БИК | 046577674 |
| Корр. счет | 30101810500000000674 |
| Руководитель | Директор Лажинцева Нина Сергеевна (действует на основании Устава) |
| Контакты | Тел: (343) 214-83-49, 214-83-50 Email: prommotors@mail.ru |
| Сайт | www.prommotors.ru |
Для получения счета на оплату, пожалуйста, направляйте вашу заявку вместе с реквизитами предприятия на нашу электронную почту или оформите заказ через корзину сайта.










