Редуктор KA107B-66.52/160В5
Сроки доставки уточняйте у менеджеров
Качество
Гарантия на любой товар нашей компании: 2 года со дня покупки
Индивидуальный подход
Широкий ассортимент и быстрый заказ. Подберем решение именно под ваши задачи
Бесплатная доставка
По Екатеринбургу, Березовскому, В.Пышме при покупке на сумму более 30 000 р.
Характеристики червячного редуктора (NMRW)
В каталоге «ПромМоторс» представлен мотор-редуктор Редуктор KA107B-66.52/160В5. Это универсальный приводной агрегат, использующий червячную передачу для преобразования крутящего момента и изменения направления вращения вала на 90 градусов.
Главные достоинства этой серии — компактность, бесшумность работы и функция самоторможения (невозможность прокрутить выходной вал при выключенном двигателе на высоких передаточных числах). Это позволяет в ряде случаев отказаться от установки дополнительных тормозных устройств.
Конструкция и материалы корпуса
Исполнение: Чугунный корпус (G200).
Для крупных габаритов (110, 130, 150) используется высокопрочный чугун. Это обеспечивает жесткость конструкции, необходимую для передачи больших крутящих моментов, и защиту от вибраций в тяжелых промышленных условиях.
Технические параметры
Передаточное число (i): 66,52. Показывает, во сколько раз обороты на выходе меньше оборотов двигателя.
Тип присоединения электродвигателя:
- Фланец B5 (Большой): Стандартное крепление сквозными болтами. Обеспечивает максимальную жесткость соединения мотора и редуктора.
Вес изделия: 285 кг.
Расшифровка маркировки Редуктор KA107B-66.52/160В5:
- NMRW — серия (червячный одноступенчатый).
- 107 — габарит (межосевое расстояние в мм).
- Цифры (напр. 7.5, 10, 50) — передаточное отношение.
- B5/B14 — тип фланца под двигатель.
|
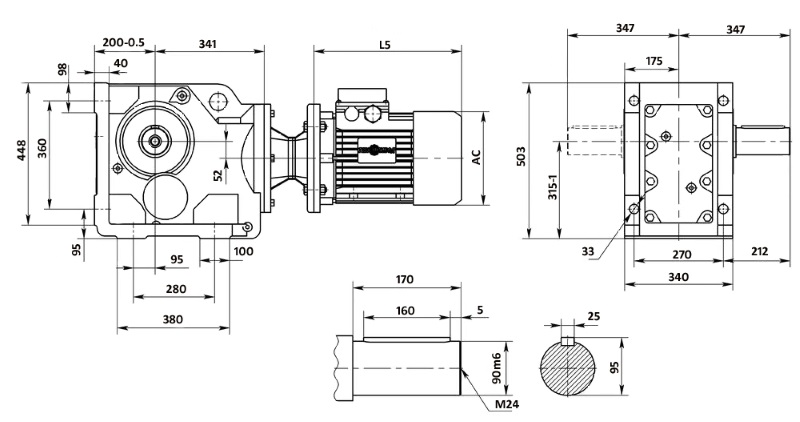
Чертеж корпуса |
Размеры полого вала |
|
Монтажные позиции |
Сфера применения
Благодаря низкой стоимости и надежности, редуктор Редуктор KA107B-66.52/160В5 используется повсеместно:
- Пищевая промышленность (тестомесы, мясорубки, линии розлива).
- Упаковочное оборудование.
- Конвейеры легкой и средней нагруженности.
- Автоматические ворота и системы открывания.
- Птицефабрики (линии кормораздачи).
Гарантия и сервис
Агрегат не требует обслуживания (замены масла) при эксплуатации в стандартных режимах. Гарантия производителя — 1 год.
Вы можете купить червячный редуктор Редуктор KA107B-66.52/160В5 с доставкой по РФ. Оформите заявку на сайте «ПромМоторс». При заказе важно проверить диаметр входного вала двигателя, чтобы он совпал с полым валом редуктора.
При покупке на сумму более 30 000р. – ДОСТАВКА ОСУЩЕСТВЛЯЕТСЯ БЕСПЛАТНО по Екатеринбургу, Березовскому, В.Пышме!*
Доставка до терминала транспортной компании БЕСПЛАТНАЯ!
Уважаемые клиенты! Здесь Вы можете произвести расчеты стоимости грузоперевозок:
Для отправки оплаченного Вами оборудования необходимо заполнить заявку на отгрузку
*При условии 100% предоплаты
Оплата за поставляемое оборудование производится по безналичному расчету.
Реквизиты организации
| Наименование | ООО «ПромМоторс» |
| Полное наименование | Общество с ограниченной ответственностью «ПромМоторс» |
| Юридический адрес | 620012, Свердловская обл., г. Екатеринбург, ул. Машиностроителей, д. 29, оф. 325 |
| ИНН / КПП | 6686004960 / 668601001 |
| ОГРН | 1126686005170 |
| ОКПО / ОКВЭД | 09019413 / 51.65.5 |
| Банк | УРАЛЬСКИЙ БАНК ПАО СБЕРБАНК Г. ЕКАТЕРИНБУРГ |
| Расчетный счет | 4070281021654008188 |
| БИК | 046577674 |
| Корр. счет | 30101810500000000674 |
| Руководитель | Директор Лажинцева Нина Сергеевна (действует на основании Устава) |
| Контакты | Тел: (343) 214-83-49, 214-83-50 Email: prommotors@mail.ru |
| Сайт | www.prommotors.ru |
Для получения счета на оплату, пожалуйста, направляйте вашу заявку вместе с реквизитами предприятия на нашу электронную почту или оформите заказ через корзину сайта.












