Редуктор NMRW030-20/56B14
Сроки доставки уточняйте у менеджеров
Качество
Гарантия на любой товар нашей компании: 2 года со дня покупки
Индивидуальный подход
Широкий ассортимент и быстрый заказ. Подберем решение именно под ваши задачи
Бесплатная доставка
По Екатеринбургу, Березовскому, В.Пышме при покупке на сумму более 30 000 р.
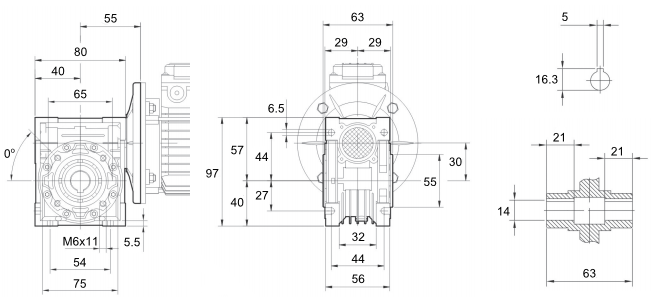
Характеристики червячного редуктора (NMRW)
В каталоге «ПромМоторс» представлен мотор-редуктор Редуктор NMRW030-20/56B14. Это универсальный приводной агрегат, использующий червячную передачу для преобразования крутящего момента и изменения направления вращения вала на 90 градусов.
Главные достоинства этой серии — компактность, бесшумность работы и функция самоторможения (невозможность прокрутить выходной вал при выключенном двигателе на высоких передаточных числах). Это позволяет в ряде случаев отказаться от установки дополнительных тормозных устройств.
Конструкция и материалы корпуса
Исполнение: Алюминиевый корпус (литье под давлением).
Редуктор отличается малым весом и высокой коррозионной стойкостью. Корпус не требует покраски и отлично отводит тепло. Универсальная кубическая форма позволяет производить монтаж в любом положении без замены смазки (редуктор заправлен синтетическим маслом на весь срок службы).
Технические параметры
Передаточное число (i): 20. Показывает, во сколько раз обороты на выходе меньше оборотов двигателя.
Тип присоединения электродвигателя:
- Фланец B14 (Малый): Компактное крепление (болты вкручиваются в корпус двигателя). Позволяет уменьшить габариты привода, что важно для тесных механизмов.
Вес изделия: 1,2 кг.
Расшифровка маркировки Редуктор NMRW030-20/56B14:
- NMRW — серия (червячный одноступенчатый).
- 30 — габарит (межосевое расстояние в мм).
- Цифры (напр. 7.5, 10, 50) — передаточное отношение.
- B5/B14 — тип фланца под двигатель.
Габариты корпуса |
Входной фланец (PAM) |
| Тип фланца | Габарит мотора | Размеры (мм) | |||
|---|---|---|---|---|---|
| Pm | Dm (вал) | bm (шпонка) | tm | ||
| B5 (Большой) | 56 / 63 | 120 / 140 | 9 / 11 | 3 / 4 | 10.4 / 12.8 |
| B14 (Малый) | 56 / 63 | 80 / 90 | 9 / 11 | 3 / 4 | 10.4 / 12.8 |
Монтажные позиции| Типоразмер | Двигатель (PAM) | B5 | B14 | Передаточное число (i) / Диаметр вала (D) | |||||||||||||||
|---|---|---|---|---|---|---|---|---|---|---|---|---|---|---|---|---|---|---|---|
| N | M | P | N | M | P | 5 | 7.5 | 10 | 15 | 20 | 25 | 30 | 40 | 50 | 60 | 80 | 100 | ||
| NMRW 030 | 56B5 / 56B14 | 80 | 100 | 120 | 50 | 65 | 80 | 9 | 9 | 9 | 9 | 9 | 9 | 9 | 9 | 9 | 9 | 9 | 9 |
| NMRW 030 | 63B5 / 63B14 | 95 | 115 | 140 | 60 | 75 | 90 | 11 | 11 | 11 | 11 | 11 | 11 | 11 | 11 | 11 | — | — | — |
Сфера применения
Благодаря низкой стоимости и надежности, редуктор Редуктор NMRW030-20/56B14 используется повсеместно:
- Пищевая промышленность (тестомесы, мясорубки, линии розлива).
- Упаковочное оборудование.
- Конвейеры легкой и средней нагруженности.
- Автоматические ворота и системы открывания.
- Птицефабрики (линии кормораздачи).
Гарантия и сервис
Агрегат не требует обслуживания (замены масла) при эксплуатации в стандартных режимах. Гарантия производителя — 1 год.
Вы можете купить червячный редуктор Редуктор NMRW030-20/56B14 с доставкой по РФ. Оформите заявку на сайте «ПромМоторс». При заказе важно проверить диаметр входного вала двигателя, чтобы он совпал с полым валом редуктора.
При покупке на сумму более 30 000р. – ДОСТАВКА ОСУЩЕСТВЛЯЕТСЯ БЕСПЛАТНО по Екатеринбургу, Березовскому, В.Пышме!*
Доставка до терминала транспортной компании БЕСПЛАТНАЯ!
Уважаемые клиенты! Здесь Вы можете произвести расчеты стоимости грузоперевозок:
Для отправки оплаченного Вами оборудования необходимо заполнить заявку на отгрузку
*При условии 100% предоплаты
Оплата за поставляемое оборудование производится по безналичному расчету.
Реквизиты организации
| Наименование | ООО «ПромМоторс» |
| Полное наименование | Общество с ограниченной ответственностью «ПромМоторс» |
| Юридический адрес | 620012, Свердловская обл., г. Екатеринбург, ул. Машиностроителей, д. 29, оф. 325 |
| ИНН / КПП | 6686004960 / 668601001 |
| ОГРН | 1126686005170 |
| ОКПО / ОКВЭД | 09019413 / 51.65.5 |
| Банк | УРАЛЬСКИЙ БАНК ПАО СБЕРБАНК Г. ЕКАТЕРИНБУРГ |
| Расчетный счет | 4070281021654008188 |
| БИК | 046577674 |
| Корр. счет | 30101810500000000674 |
| Руководитель | Директор Лажинцева Нина Сергеевна (действует на основании Устава) |
| Контакты | Тел: (343) 214-83-49, 214-83-50 Email: prommotors@mail.ru |
| Сайт | www.prommotors.ru |
Для получения счета на оплату, пожалуйста, направляйте вашу заявку вместе с реквизитами предприятия на нашу электронную почту или оформите заказ через корзину сайта.









